残念ながら一番高いバンド(14~44MHz帯)は、RF発信部がうまく動作しませんでした。
Return to American Vintage Radio
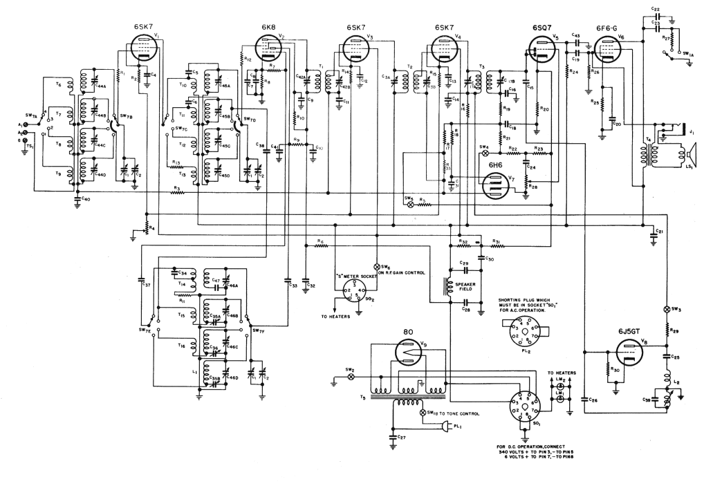
詳細内容は違えど、後の日本製ラジオの回路や構造の原型のようにも思われます。
Restoration & Homebrew
ボタンをクリックするとレストアした本機で受信した短波放送を聞くことができます。
 
1939年製で9球のGT管(やメタル管)が使われ、高周波1段中間周波2段のシングルスーパーです。
4バンドロータリスイッチ切り替え方式で、550KHzの中波から44MHzの短波受信までがカバーされています。
当時の短波通信にも使われたようで、ANLやCW受信用BFO回路も装備されています。
1939年(昭和14年)当時の日本の市中には、まだスーパーヘテロダインラジオは存在していなかった時代のようです。
暇つぶしとボケ防止を兼ねてアメリカ製ビンテージラジオで遊んでいます。
Hallicrafters SR-20
Solid state HF amplifier
YAESU FT101
Crystal Radio
Amateur Radio Corner
アマチュア無線コーナー 鉱石ラジオ YAESU FT101 ソリッドステートHFアンプ 電気工作遊び雑記帳
American Vintage Radio